Brady I5100 300DPI Industrial Grade Thermal Printer, My My Research this Brady I5100 Printer was Launched in 2018 AKA CAB Mach 4S
Appears to me Brady Thermal Printers are Manufactured for them by a Company Called CAB so much for the claims Brady sales makes for making their own printer when comparing to Zebra lol.
Unboxing Video
Compared the Brady I5100 to a Standard Zebra 400Series.
Since Brady is the leading brand for IC chip labeling, I purchased this unit to simplify printing for small-batch projects. This printer I hope will help eliminate the need to spend a lot of extra time adjusting and creating label stock templates for the Zebras. For large programming production runs, I’ll continue using the Zebra ZT410, which is equipped with a rewinder perfect for high-volume labels that are delivered rather than applied at the time of programming. However, for short runs of chip labels, I expect this to be a real time-saver.
With the Zebra, if you need five different labels but are using stock that’s three labels across, it will print the same data on all three unless you’re auto-incrementing. This means you could waste up to 10 labels just to get the few you actually need. The Brady, on the other hand, can print each label independently, so in the same scenario you’d only waste one.
With this new unit, I’ll still be limited by its 300 dpi resolution (I had really hoped to locate a a 600 dpi model) this will limits label size, but the price was right! Regardless this should still handle most of my “small run” chip labeling needs efficiently.
The Web GUI Is Very Helpful there are a Lot of Options Easily configurable.
Screen Shots Soon.
I may do a tear-down on this printer.
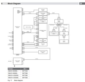
10/10/2025 CAB Mach 4S has a Service Manual but it is rather Poor No PCB Repair info such as schematics just a Block Diagram and PCB Layout 🙁 (Archive Updated 02/10/2026)

Cab Also has a Spare Parts List.. Good Exploded Views of the Parts this is helpfull info. (Archive of Parts List Updated 02/10/2026)
The Cab Configuration Manual Says there is a Service key to get into the extra Settings remove branding etc.
Unboxing Video #2
Both these printers seem to function flawlessly…. Maybe ill Gamble on a third for a tear-down.
Lets Discusss Wifi-Adapters! Which Ones Work?
Let’s talk USB Wi-Fi adapters for the Brady I5100 thermal printer . The price of Brady’s branded adapter Part Number: 149131 is outrageous @ $85.00, so I decided to test common Linux-compatible alternatives. I first tried the Edimax EW-7811Un (Realtek RTL8188CUS chipset) and the TP-Link TL-WN725N (Realtek RTL8188EU chipset). While both are reliable under many Linux distributions, they rely on kernel modules that are often missing or not compiled into the lightweight Linux builds used in embedded systems. As a result, neither was recognized.
After digging through my collection of usb wifi adapters, I found two that worked flawlessly: those based on the Ralink RT5370 and RT5372 chipsets. Update 02/14/2026 a third has been confirmed the RTL8811AU works and less than $9.00 on prime delivered in 1 day or $4-$6 shipped on aliexpress. If ordering a RTL8811 Make sure you do not get a CU I have confirmed the CU do not work. The RTL8811AU is a bit easier to find then the RT5370 dongles. Lets thank QS Tech Services for Ordering the Over priced one a Cab 5977731 from Brady to see what chipset they are selling people for $84 + $11.25 shipping + Tax so we can add a third one to the list of confirmed working wifi dongles.
What Arrived..

Installed and Wifi Working.
These chipsets are supported by the in kernels lets assume rt2800usb driver, which has been part of the Linux kernel for years. Because the driver is built into most stripped embedded Linux distributions, devices with these chipsets work out-of-the-box without needing proprietary drivers. This explains why this hardware is locked to older adapters.
So for Brady hardware, you’re effectively locked into old USB Wi-Fi only chips (RT5370/RT5370/RTL8811AU) maybe RT3070 & MT7601U when I come across them I will try them.
Brady offered at one time a USB to Wifi / Bluetooth but it’s been discontinued. I think I have an older CSR8510 Broadcom BCM20702 USB to Bluethooth some place around here. Ill try it if I find it.
Update, I looked for 2 hours i just ordered another they are only $2.50 on ali express if ordering over $10 worth of stuff free ship.
We should not have to be held over a barrel to the sum of 5 to 10 times or more for the cost of the wifi or bluetooth adapter.
09/17/2025 I Received the $2.00 Wifi and $2.00 Bluetooth but dumb me selected the wrong wifi oops… I but had luck with the CRS 4.0 $2.00 Bluetooth dongle it detects it but no info on setting it up could be found in the menus. I will need to look at the web interface and read the manual. Brady will only give the Bluetooth info and drivers out if you buy their over priced brady i5100 i7100 bluetooth dongle which is discontinued. Not even sure if its supported in their software any more.


RFID Tags.. I E-mailed Brady on 08/29 to see about buying tags for my old labels and ribbons that have no rfid tags. I received crickets. So I leave it upon us to create our own. If they won’t sell it, I hope they don’t get upset when it’s reverse engineered and made public. So Lets Start the Process.
We Start with obtaining a Proxmark3 RFID Reader/Writer install was a bit difficult bit once installed. You get This Screen!
Type Auto Will Identify the Tag it is a ISO15693 v4 tag
Then We Type “HF 15 Dump” it will Dump the Tag As you will see no locks are set this data is in the clear.
This Will produce a JSON and a Binary File.
Here are 2 JSON Files Tag hf-15-E00780C0EC567314
Brady RFID Back Up 1
Brady RFID Back Up 2 I Printed some Labels Original was Block 63 Changed form 2AF87144 to 2AB6F170 after printing a few labels So I am Going to Assume that is the Counter.
Lets Start to Decode It with Basic Stuff We Can See.. This is Form a Random Tag from a TFT-37-489 Label Roll.
Here is the JSON so you Can Follow.
I Needed to order some what they call “magic tags” that can write the UID and make some tags to use on low cost media to help with the decoding.
Anticipating that Brady would not be of assistance I have ordered the rfid tags and they have arrived on 09/17/2025.
I will Try to experiment with this more when I get some more time not sleep deprived and can keep a steady thought stream.
If you have any insights or knowledge of these tags let me know it would be awesome to create our own tags to track label inventory.
Right to Repair Score? (Untested) Soon I will send a Request I have to get the printer over to Oregon first.
09/18/2025 I have Taken the Printer to Oregon and Used it For a personal project, Attempt to contact the CEO has started.
09/30/2025 Right to Repair request for the I5100 was declined over the phone. I formal request for all products made from July 2015 to present sent.
Last Updated on February 14, 2026 by Steven Rhine












